Шурупы латунные, потайная голова, прямой шлиц, DIN97, 50шт



от 410

Рейтинг : (5 из 5) Всего голосов: 1

Поделиться / Сохранить себе ссылку:


выберите размер

Описание

Шурупы самонарезающие латунные потайные с прямым (плоским) шлицем, DIN 97. По дереву. Используются для декорированного крепежа предметов интерьера. Требуют предварительного засверливания

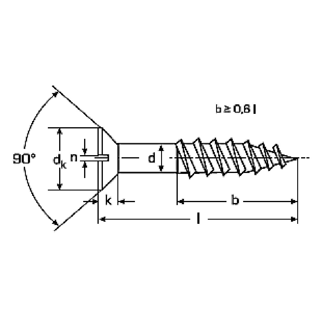
Обозначения:
d - диаметр стержня шурупа
dk - диаметр потайной головки шурупа
k - высота головки
n - ширина прямого шлица

К сожалению, из-за погрешности упаковочного оборудования иногда бывает ситуация, когда в пакете оказывается не 50, а 49 шурупов. Просим заранее учитывать эту возможность. Просим помнить, что возможное отсутствие одного шурупа учтено в стоимости комплекта. То есть, фактически, цена указано не на 50, а за 49 шурупов. Если же в упаковке окажется ровно 50, это будет приятным подарком покупателю.

Перед использованием латунного шурупа рекомендуем не только заранее просверлить отверстие, но и предварительно закрутить в него стальной шуруп со схожей резьбой. Это позволит сохранить в целости головку шурупа, не прибегая к излишнему усилию при заворачивании шурупа. Кстати, благодарим за это замечание нашего друга Александра Ананенко!

Рекомендуем перед началом работы с латунными шурупами тщательно подобрать необходимые отвёртки. Отвёртка с неправильно подобранной рабочей частью может привести к повреждению головы шурупа. Размер прорези можно узнать в табличке.

Рекомендуем использовать отвёртки нашего производства, которые мы делаем специально для работы с крепежом с прямой прорезью на головках.

Размеры шурупов с потайной головкой DIN 97 в мм (смотри фото 2)
d 1.6 2 2.5 3 3.5 4 4.5 5 5.5 6 7 8
dk 3 3.8 4.7 5.6 6.5 7.5 8.3 9.2 10.2 11 12.5 14.5
k 0.96 1.2 1.5 1.65 1.93 2.2 2.35 2.5 2.75 3 3.5 4
n 0.4 0.5 0.6 0.8 0.8 1 1 1.2 1.2 1.6 2 2

Характеристики

Отзывы (1)

Файлы ()

Нет файлов

Статьи